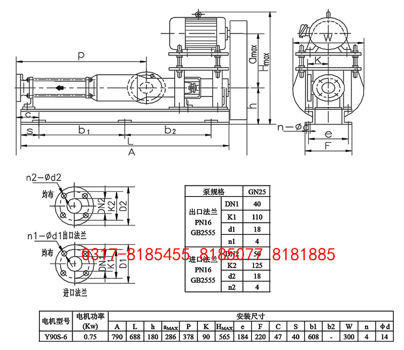
輸(shu)送石灰乳泵(bèng)GCN25-1V-W101背包式單螺(luo)杆泵配Y0.75KW-6安裝(zhuang)尺寸圖 
輸送石(shi)灰乳泵GCN25-1V-W101單螺(luo)杆泵性能參(can)數表 | Model | 壓力 Pressure in the delivery branch 0.3Mpa | 壓(ya)力 Pressure in the delivery branch 0.6Mpa | 轉速 r/min Speed | 流量(liang) m3/h capacity | 軸功率 kw A bsorbed power | 電機(jī) Motor | 轉速 r/min Speed | 流量 m3/h capacity | 軸(zhóu)功率 kw A bsorbed power | 電機 Motor | | G(GS)25-1 | 720 | 2.45 | 0.47 | Y132S-8(2.2kw) | 720 | 2.2 | 0.69 | Y132S-8(2.2kw) | | 570 | 1.89 | 0.39 | YCJ71(0.75kw) | 579 | 1.6 | 0.54 | YCJ71(1.1kw) | | 506 | 1.63 | 0.35 | 513 | 1.4 | 0.5 | | 445 | 1.45 | 0.31 | 452 | 1.14 | 0.45 | | 388 | 1.18 | 0.28 | 393 | 0.9 | 0.39 | | 334 | 1 | 0.25 | 339 | 0.7 | 0.34 | | 284 | 0.76 | 0.22 | 288 | 0.53 | 0.31 |
|