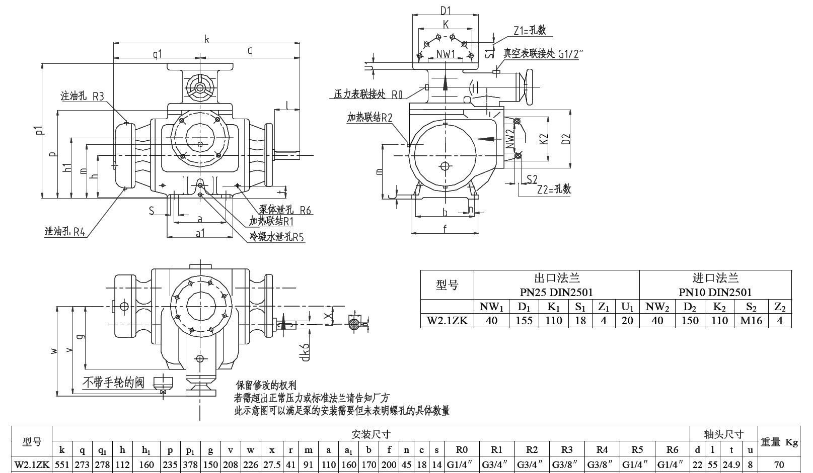
W2.1ZK24Z1M1W73雙(shuang)螺杆泵泵頭(tou)尺寸圖

雙螺杆(gǎn)泵有密封式(shi)和不密封式(shì)兩種類型,按(àn)介質從一端(duān)❌還🈲是 從兩端(duān)進入齧合空(kōng)間,雙螺杆又(you)被分🔞為雙吸(xī)式和單🔞吸式(shi)兩種結構。雙(shuang)螺杆泵是外(wai)齧合的螺杆(gan)泵,它利🌐用相(xiang)互🔞齧合,互🌈不(bu)接觸🤟的兩根(gēn)螺杆來抽送(sòng)液體。雙螺杆(gǎn)泵為一種雙(shuāng)吸式非密閉(bì)的雙螺杆泵(bèng)。一端伸出泵(bèng)外的主動螺(luó)杆由原動機(jī)驅動。主動螺(luó)杆與從動螺(luo)杆具有不同(tóng)旋向的螺紋(wen)。螺杆與泵體(ti)緊密貼合。從(cong)動螺杆是通(tōng)過☂️同步齒輪(lun)由主動螺杆(gan)帶動的。
雙螺(luo)杆泵的軸承(cheng)分外置和内(nèi)置,如何選擇(ze)取決于輸送(song)液體的特性(xìng),潤滑性差且(qiě)有細小雜質(zhi)的液體選擇(ze)外置軸承,外(wai)置軸承采用(yòng)潤滑脂獨立(lì)潤滑,不受輸(shu)送介質的❤️影(yǐng)響。
雙螺杆泵(bèng)正确選材,可(ke)輸送多種工(gōng)況的介質,它(ta)的應用相🔞當(dang)廣泛,在油田(tián)行業,主要用(yòng)作原油輸送(sòng)泵、多相混輸(shū)泵;造🈲船行業(ye),多☎️用作船用(yong)裝載泵、掃艙(cāng)泵、滑油泵、燃(rán)料油泵;石油(you)化學工業,可(kě)輸送樹脂、顔(yá)料、石蠟、尤其(qi)、油墨、乳膠、各(gè)種油品🆚等等(deng)的運輸;食品(pin)行業,可用作(zuo)酒🈲精、蜂蜜、糖(táng)漿、果汁、動植(zhi)物油、牛奶、漿(jiāng)油輸送泵等(děng)。